Introduction

In this repair instruction you will first open the Electribe SX. Then you will find the fuse responsible for the problem. After this we will do a quick cross-check if the fuse is the problem. If yes, then we will either do a workaround or replace the fuse.

  1. Ghx6Hgmlo33hIHZb
    • Unplug all cables and the power supply. Remove all Knobs by pulling on them. Then unscrew all screws on the front using an allen key. You can remove the PCBs as well, as shown on the picture, but you don't have to.

  2. p5X1Sebv5dEyeDvP
    • Look on the PCB for the red marked device. It can be found below a lot of big capacitors on the right PCB. This is the fuse which might be broken. To check this you may either:

    • Check the fuse for continuity when the ESX is powered off. There must be continuity, but if the fuse is broken, there will be not. Or you may...

    • ...check for 1,8V on both sides if the ESX is switched. You have to apply power and switch the ESX on of you do this. The voltage ist around 24V, which should not be deadly, but can be destroy things very quick if you are not careful. Try this if you know what you are doing. Isolate the PCB.

    • If you are sure that the fuse is not conducting any more you have two options:

    • You can bridge the fuse using a wire. Solder an isolated wire on both sides of the device. This is also a handy workaround to see if the ESX works again after you do this.

    • You can replace the fuse. This is more complicated because you a) need a new fuse with the correct specs and b) you need soldering tweezers, two soldering irons or a quick hand at soldering both terminals of the fuse. At the moment I can not help at the rating of the replacement fuse.

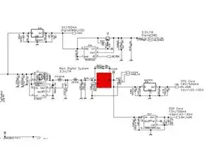
  3. BilYTP6KidNBUQ66
    • Here is the fuse marked red in the EMX Service Manual from Korg. The part we are dealing with seems to be identical with the ESX

Conclusion

Arbeite die Schritte in umgekehrter Reihenfolge ab, um dein Gerät wieder zusammenzubauen.

Christian

Member since: 09/03/14

1625 Reputation

8 comments

hi! can you send me this scheme of the korg?

regards.

[email protected]

Paulo E -

Hi, I have written this instruction twice. I had some problems with the first not being published. Please have a look at the other instruction:

Replacing a fuse in the Electribe SX (ESX)

The EMX Service Manual is attached there.

Christian -

ok! thanks very much mate!

Paulo E -

hi again! I had the S-8520 blown. I replaced it with an external LM2596 3.0 A Step-Down Switching Regulator. the thing is, now, I turn on the korg and in few seconds when the lights on the pad turn on, the lcd fades out and the korg keeps restarting… can you give me hint? regards

pauloe -

Sorry man, I don’t know why iFixit doesn’t notify me :( In case you haven’t already fixed or thrashed your ESX : The LM2596 should be potent enough to drive the 1A of the ESX. Nonetheless I would monitor the output voltage of the LM2596. If it drops after a while below a relevant value maybe there is an error in your design, so that the LM2596. doesn’t deliver enough power. You could test your fix with an external 3,3V power supply instead of your LM2596. If this works then maybe there is still an error in your design.

Christian -

Thank you so much for posting this fix! My ESX crashed and had the same symptoms you described.

I tested to see if bridging the fuse would work and it did. I am so relieved, especially since I had already taken the time to do the tube bypass modification.

vinylmessiah -

Nice to hear that it worked.

Christian -

nortecesito ell esquema de Marca:  KORGModel:  EA-1 mk2 alguien podria ser tan amable de enviarmelo a [email protected]????

electronicfreshness -